众所周知,随着社会老龄化,骨质疏松症的患病率迅猛增加。骨质疏松症是以骨强度下降,导致骨折危险性增加为特点的疾病,骨质疏松性骨折及其引发的一系列并发症严重影响人群健康,也给家庭和社会带来沉重负担。今天就为大家系统详解骨质疏松症的流行病学、定义和分类、发病因素、临床表现和诊断方法及防治常识,值得大家学习参考!
前言1
中老年进行性退行性病变 发病率高 发病机制不甚明确,多因多果 危害深远 治疗多样性,无专一特效疗法 骨质疏松性骨折病死率高、医疗费用高骨质疏松de危害
隐匿性:沉默杀手,常被误为骨质增生、椎间盘突出、颈椎病、关节炎。 身心病痛:多发性全身性疼痛、身材变矮/变形影响呼吸消化功能、骨折。 低生活质量:活动受限、社会功能降低、依赖他人、自信心减低、抑郁。 高额医疗费用:手术、器材、材料、药物,护理、防治。 高致残率:骨折后并发症(肺栓塞、肺炎),1年内死亡率10%~20%。 高病死率:老年骨折加重心脑血管并发症,1年内死亡率10%~20%。骨质疏松常见骨折

前言2
与临床各科很多疾病关系密切。 鉴别原发性和继发性意义重大。 需明确病因,针对性治疗。 医患均需提高认识,群防群治。一
骨质疏松症的流行病学
骨矿密度低于健康人骨峰值减2.5个标准差定为骨质疏松症。 骨质疏松症患病率存在种族和地区差异。 60~70岁老人1/3有骨质疏松。 80岁以上1/2有骨质疏松。 亚洲骨质疏松性骨折发生率迅速增加。骨密度流行病学调查
东北、华北、中南、华南及西南五省市

Femur neck:股骨颈
Ward triangle:股骨颈上梁三角
Trachanter:股骨大转子
骨质疏松流行病学调查



骨质疏松性骨折流行病学调查

骨质疏松性骨折发病率不容无视

二
骨质疏松症的定义和分类
骨骼及关节的基本知识1
全身206块骨骼按一定方式和力学结构,通过关节、韧带、软骨或骨缝相互连接,构成人体骨骼系统。
骨骼的分类:
部位:头颅骨、躯干骨、四肢骨 形态:长骨、短骨、扁骨关节的分类:
纤维性关节——不动关节 软骨关节——微动关节 滑膜关节——可动关节骨骼及关节的基本知识2
骨骼的基本结构

骨骼及关节的基本知识3
骨骼的成分:
有机类物质——细胞成分、细胞间质 无机盐类物质——骨盐(羟基磷灰石结晶) 水骨细胞系:
成骨细胞——产生有机成分 骨细胞——产生无机成分 破骨细胞——用于骨吸收骨骼基本功能:
保护内脏、支持、造血、贮存矿物质及脂质、运动。骨骼是活的组织,不断地新陈代谢,旧骨质被吸收,由新骨质代替,吸收过多或过快,都将会发生骨质疏松。

骨代谢---骨转换
破骨细胞吸收骨质形成吸收陷窝。
成骨细胞合成分泌类骨质,矿化形成新的骨基质予以填补。
全身激素、局部因子调节,骨吸收—骨形成保持动态平衡。
2.1 骨质疏松定义
骨质疏松是以骨量减少和骨组织显微结构退行性改变为特征,骨质脆性增加,易发骨折的全身代谢性骨病。
在我国,患骨质疏松症的人口约有8000万,发病率为6.97%。
基础:骨组织病理学、钙含量、骨生物力学

正常

骨质疏松

严重骨质疏松
骨质疏松症的特点
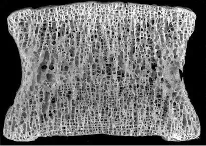
全身骨量减少 骨组织显微结构退行性改变(破渔网) 骨脆性增加,轻中度外力作用下发生骨折 腰背疼痛、驼背、身长缩短、骨折 生化改变:性激素、VitD代谢产物水平降低、肠钙吸收降低2.2 骨质疏松症的病因分类
原发性骨质疏松症:随年龄增长的生理性退行性病变。 继发性骨质疏松症:疾病或/和药物因素所诱发的病症。 特发性骨质疏松症:遗传家族史、妊娠期、哺乳期。
原发性骨质疏松--年龄相关

原发性骨质疏松--骨组织退变
钙逐渐丢失 骨密度下降 松质骨骨小梁变细、断裂 皮质骨板层结构紊乱、多孔原发性骨质疏松分型
在自然衰老过程中人体组织器官系统生理性退行性改变在骨骼系统出现的骨质疏松。 Ⅰ型:妇女绝经期后骨质疏松,与雌激素不足有关。 Ⅱ型:老年性骨质疏松,与增龄衰老有关。
继发性骨质疏松
由疾病或药物病理性损害骨代谢而诱发的骨质疏松 代谢性疾病、内分泌疾病、结缔组织病等可诱发 影响骨代谢的药物可诱发 可由一种或多种致病因素引起继发性骨质疏松常见原因1
代谢内分泌疾病:甲旁亢、甲亢、甲减、皮质醇增多症、肾上腺皮质机能减退、性腺机能减退、非正常绝经、垂体机能减退、肢端肥大症、糖尿病、慢性肾病、慢性肝病 骨髓疾病:多发性骨髓瘤、白血病、转移瘤、淋巴瘤、贫血等 结缔组织病:红斑狼疮、类风湿性关节炎等 营养因素:Vit C缺乏、 Vit D缺乏、 Vit A/D过多、胃肠吸收功能障碍致钙/蛋白缺乏、微量元素缺乏 药物因素:糖皮质激素、肝素、抗惊厥药、抗癫痫药、免疫抑制剂、性腺功能抑制药 失用性因素:长期卧床、瘫痪、骨折后制动、航天失重等特发性骨质疏松
主要见于 8~14 岁青少年,无明确病因,与遗传关系密切 妇女妊娠期、授乳期钙摄入不足,骨钙可流失 8~10%,易发生骨质疏松,可列入特发性骨质疏松2.3 骨质疏松症的病理分类
高转换型骨质疏松 低转换型骨质疏松高转换型骨质疏松
骨吸收和骨形成均增加——骨转换率增高的病理状态 见于绝经后早期、甲旁亢、甲亢、风湿性骨病、牙周病 正常情况骨形成滞后于骨吸收,少量骨量丢失 骨转换率增加5倍,松质骨体积减少10~20% 雌激素可抑制骨转换率过高的因素 PTH及骨吸收刺激因子可激活破骨细胞,溶骨活性亢进低转换型骨质疏松
骨吸收增加/减少,但骨形成降低——低转换率病理状态 见于老年性骨质疏松 成骨细胞衰老退行性改变、相关调节机制衰退 骨形成指标降低(ALP、BALP、BGP、IGF-1) 放射、化疗药、雷公藤等抑制成骨细胞数量功能三
骨质疏松症的发病因素
3.1骨质疏松症的发病因素
激素因素 营养因素 疾病因素 药物因素 生活习惯 其他:个体、遗传、运动种族、地域3.2激素失调与骨质疏松
雌激素缺乏 雄激素缺乏 甲状腺素失调 甲状旁腺素过多 生长激素缺乏 降钙素缺乏 肾上腺皮质激素过多 胰岛素缺乏
雌激素缺乏与骨质疏松
雌激素主要由卵巢分泌,对女性骨骼生长发育起重要作用
刺激成骨细胞活性,促进骨细胞增殖分化及骨胶原组织/骨形成 刺激降钙素合成、分泌,促进骨合成 促进活性VitD合成,增加肠道钙吸收,减少钙排泄 抑制破骨细胞功能和活性,对抗甲状旁腺素等的对骨作用
卵巢功能衰退,雌激素明显减少,Ⅰ型骨质疏松症
雄激素缺乏与骨质疏松
雄激素主要由睾丸分泌,对男性骨骼生长发育起重要作用
直接刺激成骨细胞活性,生成更多的新骨质 青春期雄激素水平上升,成骨细胞活性增加,成骨大于破骨 性成熟期,雄激素及骨密度达到一生中的最高点 后期,雄激素缓慢下降,成骨细胞活性减低,破骨细胞活性增强雄激素缺乏是“致命四兄弟”发病的独立因素:高血压、高血脂、肥胖、糖尿病。
生理衰老、不良习惯、疾病致雄激素明显减少,导致Ⅱ型骨质疏松症。
3.3营养与骨质疏松
钙 磷 蛋白质 维生素 微量元素
钙、蛋白质与骨质疏松
钙是骨组织矿化的主要元素。 钙不足时,骨中的钙释放到血中,维持血清钙水平,骨中钙量减少,影响骨骼生长发育以及骨密度、骨强度。 人体缺钙原因:摄入不足、吸收不良、流失过快。 蛋白质摄入量适合人体需要量时,钙吸收率增高。3.4疾病与骨质疏松
甲亢、甲减 糖尿病 皮质醇增多症 肢端肥大症 器官移植 神经性厌食 类风湿关节炎 恶性肿瘤骨转移
3.5药物与骨质疏松
糖皮质激素类药物 抗癫痫药物 肝素 甲状腺激素类药物 肿瘤化疗药物 降脂药物 减肥药物
3.6体重、机械张力与骨质疏松
废用性骨质疏松:
作用于骨骼的机械张力刺激减少 局部或全身的骨量减少 见于运动能力受限或功能障碍者、创伤、术后、太空飞行体重与骨密度密切相关:
减肥不当易引发骨量丢失
3.7 骨质疏松影响骨的两个基本功能


四
骨质疏松症的临床表现和诊断方法
4.1骨质疏松症的三大临床表现
疼痛:多发性疼痛、全身性疼痛 身材变矮:身高降低、骨骼变形,影响呼吸消化功能 骨折:椎骨、腕骨、股骨上端......骨质疏松症的危险因素:
种族:骨质疏松症危险白种人、亚洲人高于黑人 性别:骨质疏松症老年女性比男性更常见 年龄:骨质疏松症风险随增龄而增加 低体重和低BMI:身材瘦弱者骨量低,易患骨质疏松症 家族史:父母有髋骨骨折史,子女发生骨折的危险增加 营养:钙摄入不足或钙吸收障碍 性激素低下、早绝经:雌激素缺乏致骨质疏松症 生活方式:吸烟、过多饮酒、过多饮用咖啡及碳酸饮料 缺乏体力活动和身体锻炼:久卧久坐骨质疏松症危险性高 影响钙代谢的疾病和药物:糖皮质激素、利尿剂等骨质疏松的诊断流程

骨质疏松症十问速测
1. 父母有无轻微碰撞或跌倒就发生髋骨骨折?
2. 是否曾因为轻微碰撞或跌倒就伤及自己的骨骼?
3. 有无连续3个月以上服用激素类药物?
4. 身高是否缩短3cm以上?
5. 是否经常过度饮酒?
6. 每天吸烟20支以上?
7. 经常腹泻吗?
8. 是否在45岁之前绝经?
9. 是否曾连续12个月以上没有月经(怀孕期除外)?
10. 是否勃起功能障碍或缺乏性欲?
任一答案为“是”,就有患骨质疏松症的可能。
症状对照简单自测
1. 骨骼疼痛:
腰背痛最常见,以及肩颈痛、全身痛 沿脊柱两侧扩散 仰卧、坐位疼痛可减轻 直立、后伸、久坐、久立疼痛加剧 日间疼痛轻,夜间、清晨疼痛重 弯腰、肌肉运动、咳嗽、大便用力时疼痛加重 (肝硬化例外)2. 身长缩短、驼背:
多在疼痛后出现 前部多为松质骨,负重易压缩变形 椎体前倾,背曲加剧,形成驼背 驼背曲度加大,使膝关节挛拘3. 骨折:
症状明显或不明显(甲旁亢例外)4. 呼吸功能下降:
胸闷、气短、呼吸困难,活动时加重4.2骨质疏松症的诊断方法
物理诊断 生化诊断 骨形态学计量诊断 其他:基因诊断法骨质疏松症的物理诊断方法
骨骼X线片:经济测定骨密度,准确诊断骨折。灵敏度不高。骨密度仪:
单光子吸收测定法(SPA):价廉、准确、辐射小。精确性重复性欠佳。 双能X线吸收测定法(DEXA):准确性、精确性、重复性好,辐射小。 超声波(USA):操作简便、安全无害、价廉。 定量CT(QCT):准确性、重复性稍差,辐射大,不易普及。骨质疏松症的生化诊断方法
与骨矿化有关
血清钙和离子钙、尿钙 血磷、尿磷 血镁、尿镁与骨形成有关
血清总碱性磷酸酶 骨碱性磷酸酶 血清骨钙素 血清Ⅰ型胶原羧基端前肽与骨吸收有关
血浆抗酒石酸盐酸性磷酸酶 尿羟脯氨酸 尿羟赖氨酸糖苷 Ⅰ型胶原交联N末端肽与骨质疏松有关的激素
甲状旁腺素 降钙素 性激素 维生素D骨质疏松症的骨形态学计量诊断
活体骨组织制成切片,显微镜下观察 测定骨小梁面积和周径、类骨质宽度 用于疑难病例的鉴别诊断及骨代谢研究4.3骨质疏松症的诊断标准
标准差诊断法 百分率诊断法 综合分析法骨质疏松症的标准差诊断法

骨密度低于正常同性别青年成人平均值的标准差
骨质疏松症的百分率诊断法

五
骨质疏松症的防治常识
5.1骨质疏松的预防

2001-2100年中国老年人口数量变化情况
2001-2100年中国老年人口比例变化情况

医生(骨科)对骨质疏松性骨折的重视程度不足

预防骨质疏松
最终目标:降低首次骨折和再次骨折的风险 骨质疏松三级预防:从小开始,一直到老一级预防:从儿童、少年、青年做起
1. 富含钙磷食品
2. 体育锻炼
3. 接受日光
4. 少吸烟,少饮酒,少摄入咖啡、浓茶、碳酸饮料、糖、盐
5. 动物蛋白适量
6. 晚婚、少育、哺乳期不宜过长
7. 有遗传基因的高危人群重点早期随访、防治
二级预防:人到中年、绝经后
1. 坚持长期预防性补钙
2. 固体骨肽制剂预防性干预
3. 活性维生素D
4. 防治继发性骨质疏松
5. 体育锻炼、接受日光、适量动物蛋白
6. 每年一次骨密度检查
三级预防:退行性骨质疏松
1. 抑制骨吸收:雌激素、钙
2. 促进骨形成:活性维生素D
3. 固体骨肽制剂预防性干预
4. 防摔、防碰、防绊、防颠
5. 骨折后应积极手术、早期活动
6. 健身活动、接受日光、适量动物蛋白
缺钙!
摄入量不足 吸收不良 流失过快补钙!?
哪些食物含钙量高? 哪些药物含钙量高? 如何增加钙吸收? 减少人体钙流失?
如何选择钙剂
钙剂的溶解度 钙剂的吸收率 钙剂的含钙量 钙剂的生物利用度 钙剂中的维生素D
影响钙吸收的因素
年龄 维生素D 肠道中的酸碱度 蛋白质摄入量 食品中磷含量 体育锻炼 食物中的植酸、草酸含量人体钙流失的主要因素
贪食 腌制食品 过度抗生素 不适当饮料 缺乏运动运动防治骨质疏松
运动可以代替药物,药物不能代替运动 因人而异、因地制宜 循序渐进、观察随访 持之以恒5.2骨质疏松的药物治疗
具备下列之一者,需考虑药物治疗:
(1)确诊骨质疏松症患者(骨密度T≤-2.5),无论是否有过骨折;
(2)骨量低下者(骨密度-2.5
本文来源:https://www.114yangsheng.com/articles/33248.html
标签组:[养生] [健康] [骨关节疾病] [药物吸收] [股骨骨折] [骨质疏松症] [骨密度] [骨折并发症]